6.4 Напряжённо-деформируемое состояние (НДС) пластины с трещиной
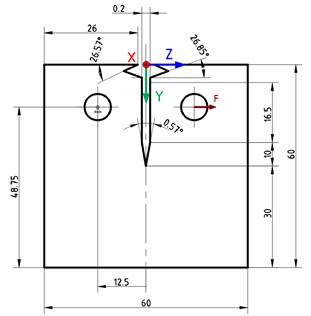
В данном примере будет исследована точность определения НДС в ПК EULER в окрестности трещины. В качестве объекта исследования выступает пластина с 2 отверстиями и трещиной. На рис. 18 изображена схема модели испытания пластины с размерами.

Рис. 18. Схема испытания пластины с трещиной
Параметры пластины:
− h=0.0058 [m] – толщина пластины;
− E=210*109 [Pa] – модуль упругости материала;
− mu=0.28 – коэффициент Пуассона;
− ro=7800 [kg/m3] – плотность материала балки.
Редуцированная КЭ-модель пластины с трещиной была сгенерирована в ANSYS APDL 18.2. Интерфейсные узлы установлены в центре отверстий и соединяются с узлами на поверхности отверстия элементами CERIG. В ПК EULER создана модель испытания упругого тела, оно заключается в следующем: один интерфейсный узел закрепляется на инерциальном звене через сферический шарнир; ко второму интерфейсному узлу плавно прикладывается горизонтальная растягивающая сила F = 5000 [N]. За счет прикладываемой силы, берега трещины должны начать расходиться, что будет сопровождаться большой концентрацией напряжений в вершине трещины. Для большей точности при создании КЭ-модели добавлено сгущение сетки в области вершины трещины, так как распределение напряжений и деформаций в той области наиболее интересны для исследования. В текущем испытании очень важно обеспечить полую симметрию упругого тела. Для этого мало обеспечить только симметрию геометрии, еще не мало важно обеспечить симметрию КЭ-сетки. Поэтому сначала была создана КЭ-модель четвертинки пластины, а полная получена путем отражения по плоскостям симметрии XY и YZ. Результаты моделирования будут сверяться с результатами расчета в COMSOL Multiphysical.
При формировании mnf-файла в обоих случаях использовалось 50 собственных форм упругой модели. Проведем ряд испытаний, с разным числом обобщенных форм упругого тела. Более подробная информация по формированию mnf-файла, efb-файла и процедуре отбора числа обобщенных форм описана в главах «Формирование исходной и редуцированной моделей в КЭ-комплексах» и «Импорт редуцированной модели в ПК EULER».
В комплексе COMSOL Multiphysical расчет производился для четвертинки пластины, так как деталь имеет 2 плоскости симметрии. В соответствующих областях установлены условия симметрии.
|
На рис. 19 показан внешний вид КЭ-моделей в COMSOl Multiphysical (слева) и в ANSYS APDL (справа).
На рис. 20 показаны результаты распределения полей эквивалентный напряжений по Мизесу при расчете в COMSOl Multiphysical (слева) и при расчете в ПК EULER (справа).

а) COMSOl Multiphysical б) ANSYS APDL
Рис. 19. Внешний вид КЭ-моделей


а) COMSOl Multiphysical б) ПК EULER
Рис. 20. Поля эквивалентных напряжений по Мизесу.
Как видно из рис. 20 используемые редуцированные КЭ-модели могут достаточно точно воспроизводить НДС состояние упругих тел, даже с большими концентраторами напряжений. Но при условии, что модель КЭ-модель создана с должной точностью, а упругое тело создано с достаточным числом обобщенных форм.
Модель испытания:
− Samples\ plate_with_a_crack\ plate_with_a_crack.elr
Файл редуцированной КЭ-модели:
− plate_ANS.mnf
Модель упругого тела:
− plate_FS.efb